byn
byn
rus
rus
Каталог товаров
Датчики
Провода и кабели, вводы и цепи
Нераспределенные товары

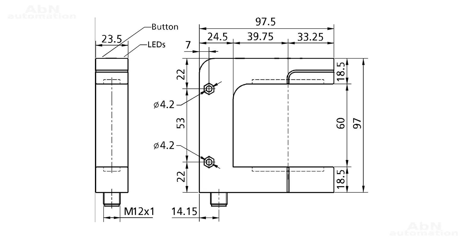
14201 bks+6/FIU датчик ультразвуковой кромочный

Артикул: 14201
Код:bks+6/FIU
Производитель: Microsonic
Артикул АБН: 845-14201

Тип: ультразвуковой кромочный; Серия: bks+; Корпус: щелевой; Аналоговый выход: 0…10 V / 4…20 mA; Слепая зона: 5; Частота сенсора, кГц: 310; Номинальное напряжение, V: 20…30 DC; IO-Link: да; Степень защиты: IP 65; Способ подключения: разъем; Температура эксплуатации, С: 5…60; Задержка включения: 300

Тип датчик ультразвуковой кромочный
Серия bks+
Корпус щелевой
Слепая зона, мм
Слепая зона, мм
Это область, расположенная близко к линзе и далеко от источника света и приемника. Объект не может быть обнаружен в «слепой зоне».
5
Тип напряжения
Тип напряжения
АС, DC - переменный ток, постоянный ток. Термин применяют как для обозначения характера тока, так и для обозначения режима работы устройства.
DC
Номинальное напряжение, V 20…30 DC
Частота сенсора, кHz 310
Задержка включения, с
Задержка включения, с
 среднее время между подачей питания на датчик и готовностью его к работе
300
Время реакции, ms 6
Аналоговый выход 0…10 V / 4…20 mA
IO-Link
IO-Link
Это открытый стандарт обмена данными между системами управления и датчиками и исполнительными механизмами
Позволяет датчикам передавать информацию о своём статусе и произошедших событиях, в том числе позволяет удалённо изменять их настройку.
да
Материал корпуса цинк
Материал чувствительного элемента эпоксидная смола
Способ подключения разъем
Тип разъема M12
Количество пинов 5
защита от короткого замыкания да
Защита от переполюсовки да
Температура эксплуатации, °C 5…60
Степень защиты
Степень защиты
это специальная классификация, которая определяет способность оболочки электрооборудования пропускать внутрь твердые предметы и воду.
Первая цифра - защита от проникновения твердых предметов
Вторая цифра - защита от проникновения воды
IP 65
глубина вилки 73
Мин. кол. 1
Уточняйте наличие
Склад Минск:
По запросу
Колич.: BYN (без НДС)
1 По запросу
Мин. кол.: 1 шт
Кратность: 1 шт
Упаковка: 1 шт